Ваз 2114 – это одна из самых популярных моделей отечественных автомобилей. Ее надежность и доступная цена делают ее непредсказуемость для многих владельцев. Однако, несмотря на все ее преимущества, у некоторых автолюбителей могут возникнуть некоторые проблемы с функцией обогрева заднего стекла.
Одной из наиболее частых причин, по которым обогрев заднего стекла в Ваз 2114 может перестать работать, является неисправность нагревательного элемента. Он расположен на стекле и отвечает за процесс обогрева. При поломке этого элемента заднее стекло перестает нагреваться и запотевать, что может создать проблемы во время езды, особенно в плохую погоду или при низкой видимости.
Еще одной распространенной причиной неработающего обогрева заднего стекла может быть неисправность электрической цепи. Ваз 2114 оборудована специальным предохранителем, который отключает питание обогревательного элемента в случае перегрузки. Если предохранитель сгорел или отвалился, то обогрев заднего стекла может перестать функционировать. В этом случае решением проблемы будет замена предохранителя.
Причины неисправности обогрева заднего стекла на Ваз 2114:
Неисправность обогрева заднего стекла на автомобиле Ваз 2114 может быть вызвана несколькими причинами:
- Обрыв провода или плохой контакт: При неисправности обогрева заднего стекла стоит проверить состояние провода, который подключен к стеклу. Возможно, провод отделен от стекла или имеет обрыв в другом месте. Также необходимо проверить контакты и разъемы на предмет окисления или механических повреждений.
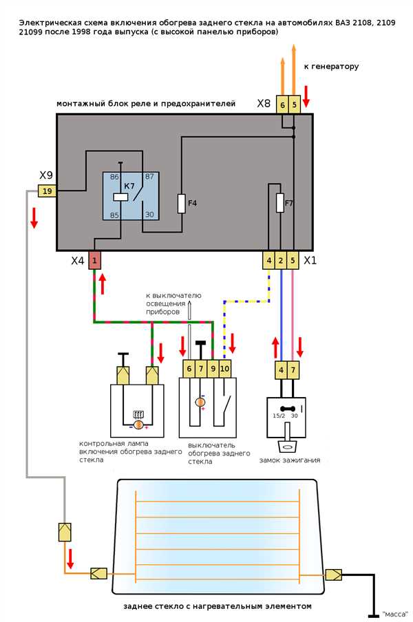
- Неисправность реле: Реле обогрева заднего стекла может выйти из строя из-за обрыва или повреждения внутренних контактов. В этом случае его необходимо заменить.
- Неисправность кнопки управления: Если кнопка управления обогревом заднего стекла не функционирует, возможно, что она вышла из строя. Рекомендуется проверить ее целостность и при необходимости заменить.
- Проблемы с электронным блоком управления: В случае неисправности обогрева заднего стекла может быть проблема с электронным блоком управления. Проверьте его работоспособность и в случае необходимости обратитесь к специалистам для диагностики и ремонта.
Важно помнить, что неисправность обогрева заднего стекла на Ваз 2114 может быть вызвана разными причинами, поэтому рекомендуется обратиться к профессионалам для точной диагностики и устранения неполадки.
Решение проблемы с неисправностью обогрева заднего стекла на Ваз 2114:
Если обогрев заднего стекла на Ваз 2114 не работает, возможно, причина кроется в одном из следующих факторов:
- 1. Перегоревший предохранитель. Проверьте предохранитель, отвечающий за обогрев заднего стекла и замените его при необходимости.
- 2. Поврежденный провод или разъемы. Проверьте провода и разъемы, ищите признаки повреждения или окисления. В случае неисправности необходимо заменить поврежденные элементы.
- 3. Неисправность реле обогрева заднего стекла. Проверьте реле, включающее и отключающее обогрев заднего стекла. Замените реле при обнаружении неисправности.
- 4. Проблемы с массой. Убедитесь, что масса обогрева заднего стекла хорошо подключена к кузову автомобиля. Очистите место подключения и установите надежное соединение.
- 5. Неисправность стеклоочистителя. Проверьте работу стеклоочистителя заднего стекла – необходимо, чтобы он был в исправном состоянии. Если стеклоочиститель не функционирует должным образом, это может привести к неисправности обогрева.
Если вы не обнаружили неисправность при выполнении вышеперечисленных шагов, рекомендуется обратиться к специалистам для проведения дополнительной диагностики и устранения поломки.
Как проверить исправность обогрева заднего стекла на Ваз 2114:
Если обогрев заднего стекла на Ваз 2114 не работает, можно провести простую проверку, чтобы определить причину поломки.
1. Включите зажигание автомобиля и включите кнопку обогрева заднего стекла. Обратите внимание, зажигается ли индикатор на панели приборов. Если индикатор не загорается, вероятнее всего, проблема связана с питанием обогревателя.
2. Проверьте соединение проводов, которые подключены к обогревателю заднего стекла. Убедитесь, что они надежно закреплены и не имеют видимых повреждений.
3. Визуально осмотрите заднее стекло на наличие трещин или повреждений в области обогревательной сетки. При наличии повреждений рекомендуется обратиться к специалисту для замены обогревательной сетки.
4. Если все указанные выше шаги выполнены, но обогрев заднего стекла все еще не работает, возможно, проблема в электрической системе автомобиля. Для точной диагностики рекомендуется обратиться к автосервису.
Не забывайте, что обогрев заднего стекла работает только при включенном двигателе и полностью закрытых дверях автомобиля. Будьте осторожны при использовании обогрева заднего стекла, так как высокая температура может привести к его повреждению.
Важно: Перед проведением проверки убедитесь, что аккумулятор автомобиля заряжен, и включите зажигание. Также следите за своей безопасностью и не прикасайтесь к обогревателю стекла без защитных перчаток.
Основные элементы системы обогрева заднего стекла на Ваз 2114:
Система обогрева заднего стекла на Ваз 2114 включает в себя несколько ключевых элементов, которые обеспечивают надежную и эффективную работу. Рассмотрим каждый из них подробнее:
Стеклопроводящая пленка
Основным элементом системы обогрева заднего стекла является стеклопроводящая пленка, которая наносится на внешнюю поверхность стекла. Она обладает свойством проводить электрический ток, что позволяет нагревать стекло и расплавлять на нем лед и снег.
Стеклопроводящая пленка имеет прозрачную структуру, благодаря чему не оказывает влияния на видимость из салона автомобиля. Она также обладает достаточной прочностью, чтобы выдерживать воздействие атмосферных условий и механических нагрузок.
Терморегулятор
Для эффективной работы системы обогрева заднего стекла на Ваз 2114 используется терморегулятор. Он контролирует температуру стекла, поддерживая ее на оптимальном уровне для предотвращения образования льда и снега. Терморегулятор автоматически включается при достижении определенной температуры и выключается, когда стекло достаточно нагреется.
Такой подход позволяет снизить энергопотребление системы, а также защищает стекло от перегрева. Терморегулятор обычно располагается в непосредственной близости от заднего стекла или внутри салона автомобиля.
Защитное покрытие
Защитное покрытие играет важную роль в системе обогрева заднего стекла на Ваз 2114. Оно предотвращает коррозию и повреждение стеклопроводящей пленки, обеспечивая ее долговечность и надежную работу на протяжении многих лет. Кроме того, защитное покрытие помогает предотвратить образование царапин и повреждений на поверхности стекла.
Защитное покрытие обычно наносится на заднее стекло вместе со стеклопроводящей пленкой и имеет высокий уровень адгезии, чтобы обеспечить его надежное крепление к стеклу.
Важно сохранять систему обогрева заднего стекла на Ваз 2114 в исправном состоянии и следить за состоянием всех ее элементов. Регулярная проверка и обслуживание помогут предотвратить возникновение неисправностей и гарантировать эффективную работу системы в любых погодных условиях.
Проверка предохранителей обогрева заднего стекла на Ваз 2114:
Если обогрев заднего стекла на Ваз 2114 перестал работать, одной из возможных причин может быть выгоревший предохранитель. Чтобы проверить это предположение, следуйте указанным ниже шагам:
- Прежде чем приступить к проверке, убедитесь, что автомобиль находится в выключенном состоянии.
- Найдите блок предохранителей на Ваз 2114. Обычно он расположен под приборной панелью или в моторном отсеке, но место может отличаться в зависимости от модификации автомобиля.
- Внимательно прочтите описание на крышке блока предохранителей, чтобы определить, какой из них соответствует обогреву заднего стекла. Обычно этому компоненту будет присвоен специальный символ или номер.
- Осторожно извлеките предохранитель, соответствующий обогреву заднего стекла, используя плоскогубцы или другой подходящий инструмент.
- Проверьте предохранитель на наличие повреждений. Если предохранитель выгорел или имеет разрушенные контакты, замените его на новый предохранитель того же номинала.
- Установите новый предохранитель на место в блоке предохранителей, убедившись, что он надежно фиксируется.
- Проверьте работоспособность обогрева заднего стекла, включив автомобиль и активируя соответствующий переключатель.
Если обогрев заднего стекла на Ваз 2114 все еще не работает после замены предохранителя, возможно, есть иные проблемы, такие как неисправность проводки или выход из строя нагревательного элемента. В этом случае рекомендуется обратиться к специалисту или автосервису для дальнейшей диагностики и ремонта.
Что делать, если предохранитель обогрева заднего стекла перегорел на Ваз 2114:
Если обогрев заднего стекла в вашем автомобиле Ваз 2114 перестал работать, первым делом следует проверить состояние предохранителя, отвечающего за эту функцию. Перегорание предохранителя может быть одной из наиболее распространенных причин неисправности обогрева заднего стекла.
Для того чтобы проверить предохранитель, вам необходимо найти блок предохранителей вашего автомобиля. В Ваз 2114 он находится под щитком приборов слева от руля. Откройте крышку блока предохранителей, на которой располагается схема распределения предохранителей.
Найдите предохранитель, отвечающий за обогрев заднего стекла. Обычно он обозначен соответствующим символом на схеме распределения предохранителей. Проверьте его состояние: если предохранитель визуально перегорел (провод внутри предохранителя порван), то его необходимо заменить. Запасные предохранители обычно продаются в комплекте с автомобилем или доступны для покупки в автозапчастях.
Если после замены предохранителя обогрев заднего стекла не заработал, то причиной неисправности может быть более серьезная проблема. В этом случае рекомендуется обратиться к опытному автомеханику для проведения диагностики и ремонта.
Возможные причины неисправности обогрева заднего стекла:
1. Поломка проводки. Если обогрев заднего стекла не работает даже после замены предохранителя, возможно, что провода, подключенные к обогревателю заднего стекла, повреждены или оборваны. В этом случае требуется провести внешний осмотр проводки и, при необходимости, заменить поврежденные участки.
2. Неисправность обогревателя заднего стекла. Если проводка в порядке, то причиной неисправности может быть сам обогреватель заднего стекла. Проверьте его состояние на наличие повреждений или выгоревших участков. В случае обнаружения неисправностей, рекомендуется заменить обогреватель заднего стекла.
В сложных случаях, когда неисправность не удается определить самостоятельно, лучше обратиться к профессионалам, чтобы избежать дополнительных повреждений и осуществить качественный ремонт обогрева заднего стекла на Ваз 2114.
Как заменить предохранитель обогрева заднего стекла на Ваз 2114:
В случае, если обогрев заднего стекла на Ваз 2114 перестал работать, одна из возможных причин может быть перегоревший предохранитель. Чтобы заменить предохранитель, следуйте этим простым шагам:
Шаг 1: Подготовка к замене предохранителя:
Перед заменой предохранителя рекомендуется отключить питание обогревателя заднего стекла, повернув ключ зажигания в положение Выключено. Также убедитесь, что стекло полностью остыло и не содержит никаких видимых повреждений.
Шаг 2: Локализация предохранителя:
Найдите блок предохранителей, который обычно расположен на передней панели салона под рулевой колонкой или на панели приборов. Обычно на капоте автомобиля также располагается второй блок предохранителей, который может включать предохранители для обогрева заднего стекла.
Шаг 3: Идентификация предохранителя:
Найдите предохранитель, соответствующий обогреву заднего стекла. Обратите внимание на его местоположение и наличие надписи Обогрев заднего стекла или подобных указаний.
Шаг 4: Замена предохранителя:
С помощью плоской отвертки или специального инструмента аккуратно вытяните перегоревший предохранитель из его гнезда. Установите новый предохранитель того же типа и номинала. Убедитесь в правильности установки предохранителя, проверив, что он плотно фиксируется в гнезде.
После замены предохранителя включите питание обогрева заднего стекла, повернув ключ зажигания в положение Включено. Проверьте работу обогрева заднего стекла, касаясь пальцем разноцветных полос на стекле. Если стекло нагревается, то замена предохранителя была успешной. В противном случае, проблему следует искать в других компонентах системы обогрева заднего стекла и, возможно, обратиться к специалисту для дополнительной диагностики.
Таблица: Рекомендуемые значения предохранителя для обогревателя заднего стекла на Ваз 2114:
| Номер предохранителя | Номинал |
|---|---|
| 5 (ИК) | 20 Ампер |
| 13 (ИК) | 25 Ампер |
Проверка плавких предохранителей обогрева заднего стекла на Ваз 2114:
Если обогрев заднего стекла на Ваз 2114 не работает, одной из возможных причин может быть перегоревший плавкий предохранитель. Для проверки плавких предохранителей следуйте инструкции ниже:
| Шаг | Описание |
|---|---|
| 1 | Откройте капот |
| 2 | Найдите блок предохранителей |
| 3 | Откройте крышку блока предохранителей |
| 4 | Найдите предохранитель, отвечающий за обогрев заднего стекла |
| 5 | Внимательно осмотрите предохранитель на наличие перегоревших проводов |
| 6 | Если провода перегорели, замените предохранитель на новый |
| 7 | Если провода целы, проверьте, есть ли электрическое напряжение на предохранителе |
| 8 | Если напряжение отсутствует, проверьте предохранительный модуль обогрева заднего стекла |
| 9 | Если модуль неисправен, замените его на новый |
После проведения указанных действий проверьте работоспособность обогрева заднего стекла на Ваз 2114. Если проблема не устранена, рекомендуется обратиться к специалисту для проведения диагностики и ремонта.
Что делать, если плавкий предохранитель обогрева заднего стекла перегорел на Ваз 2114:

Прежде чем заменить плавкий предохранитель, рекомендуется проверить саму электрическую цепь обогрева заднего стекла на наличие обрывов или коротких замыканий. Для этого необходимо воспользоваться мультиметром и провести проверку. Если обрыв или короткое замыкание обнаружены, их необходимо устранить перед заменой предохранителя.
После того, как проверка цепи обогрева заднего стекла выполнена и проблемное место устранено, можно приступать к замене плавкого предохранителя. Для замены необходимо найти блок предохранителей в салоне автомобиля (обычно он располагается под рулем), найти предохранитель, отвечающий за обогрев заднего стекла, и аккуратно вытащить его из держателя.
После извлечения старого предохранителя следует заменить его новым, сопротивление которого должно быть таким же, как и у старого предохранителя. Новый предохранитель следует установить в держатель, убедившись, что он надежно закреплен и не соприкасается с металлическими деталями автомобиля.
По окончанию замены плавкого предохранителя рекомендуется проверить работу обогрева заднего стекла. Для этого необходимо включить кнопку обогрева и дождаться появления нагревательных проводов на заднем стекле. Если обогрев начинает работать, проблема успешно устранена. В противном случае, необходимо обратиться к специалисту для дальнейшей диагностики и ремонта системы обогрева заднего стекла на Ваз 2114.
Как заменить плавкий предохранитель обогрева заднего стекла на Ваз 2114:
Если обогрев заднего стекла на Ваз 2114 перестал работать, то одной из возможных причин может быть выгорание плавкого предохранителя. Чтобы его заменить, следуйте следующим шагам:
Шаг 1: Подготовка

Перед началом работы убедитесь, что вы имеете новый плавкий предохранитель подходящего типа для вашего автомобиля. Также убедитесь, что двигатель выключен и ключи из замка зажигания.
Шаг 2: Поиск плавкого предохранителя
Плавкий предохранитель обогрева заднего стекла на Ваз 2114 обычно находится в блоке предохранителей, расположенном в салоне автомобиля. Обычно этот блок находится под рулевой колонкой или в непосредственной близости от нее. С помощью инструкции по эксплуатации автомобиля или при необходимости обратитесь к сервисному руководству, чтобы точно определить его местоположение.
Шаг 3: Замена плавкого предохранителя
После того, как вы нашли блок предохранителей и плавкий предохранитель обогрева заднего стекла внутри него, продолжайте следующим образом:
- С помощью плоской отвертки аккуратно вытяните выгоревший плавкий предохранитель из гнезда, осторожно поворачивая его против часовой стрелки.
- Установите новый плавкий предохранитель того же типа в гнездо. Убедитесь, что он надежно вставлен и не отваливается.
Шаг 4: Проверка работы обогрева заднего стекла
После замены плавкого предохранителя, проверьте работу обогрева заднего стекла. Для этого включите ключ зажигания, нажмите кнопку обогрева заднего стекла на панели приборов и оцените, насколько быстро начинает разогреваться стекло. Если обогрев работает, то проблема была в выгоревшем предохранителе.
Если после замены плавкого предохранителя обогрев заднего стекла все еще не работает, то возможно есть и другие неполадки в системе, и тогда необходимо обратиться к специалисту или автосервису для диагностики и ремонта.